"Кинопередвижка" Форум любителей и коллекционеров плёночного кино.

Информация о пользователе

Привет, Гость! Войдите или зарегистрируйтесь.



Бпк 0,8

Сообщений 1 страница 14 из 14

1

Здравствуйте, приобрел бпк 0,8 с напряжениями 31,5 , 34,5 и 4в (постоянка). Включил, на выводах получил 35в, 39в и 14в(постоянка). Подключил блок через латр, где уменьшил напряжение до 200в, напряжение выходное стало нормальным, кроме постоянного, стало 12. С постоянным ладно ещё, стабилизирующую схему подключить и всё нормально, а эти два как понизить. Так и носить теперь латр и бпк вместе)) или решить можно проблему как-то?

Отредактировано Стас (12-10-2025 18:43:35)

2

Напряжения без нагрузки измеряли? Тогда вольтметр покажет больше, чем будет на самом деле, при подключении проектора в рабочем режиме.

Отредактировано Сергей Александрович (12-10-2025 21:27:30)

3

Стас написал(а):

Так и носить теперь латр и бпк вместе)) или решить можно проблему как-то?

уже как то обсуждали эту тему:
Как включить автотрансформатор КАТ-16 в сеть с повышенным напряжением
там ,правда,про КАТ-16, но особой разницы нет

4

Стас написал(а):

напряжение выходное стало нормальным, кроме постоянного, стало 12. С постоянным ладно ещё, стабилизирующую схему подключить и всё нормально

Стас, на звуковую лампу напряжение нужно мерить при нагрузке пять ампер, в вашем кинопроекторе стоит стабилизатор тока на светодиод, для нормальной работы стабилизатора разница входного и выходного напряжения должна быть не мене пяти вольт, в вашем случае нужно входящее напряжение не менее восьми вольт, иначе будет фон в динамиках, проверено опытным путём, и на проекционную лампу тоже желательно под нагрузкой померить, если боитесь сжечь лампу, то попробуйте последовательно включить две лампы.

Стас написал(а):

приобрел бпк 0,8 с напряжениями 31,5 , 34,5 и 4в (постоянка)

4в это переменка на разогрев проекционной лампы, а постоянка  5,5в.
https://upforme.ru/uploads/0018/29/2a/2/t676571.jpg

5

Сергей Александрович написал(а):

Напряжения без нагрузки измеряли?  (Вчера 22:27:30)

Да, без нагрузки. Я понял уже, что под нагрузкой мерить надо ))

6

КПТ-36 написал(а):

4в это переменка на разогрев проекционной лампы, а постоянка  5,5в.

Я думал, что постоянка 4-5,5в, а на предразогрев лампы идёт разница напряжений 31,5в и 34,5в.

Отредактировано Стас (Вчера 11:20:53)

7

Стас написал(а):

Я думал, что на предразогрев лампы идёт разница напряжений 31,5в и 34,5в.

Это на КАТ-16 (АОСК-0,71) берётся разница напряжений, а на БПК отдельный вывод.

8

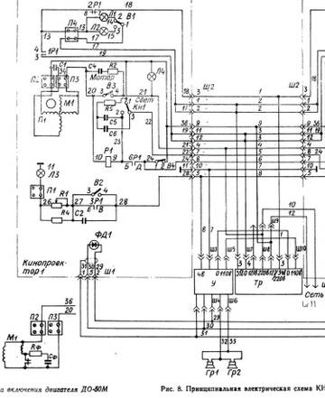
https://upforme.ru/uploads/0018/29/2a/287/t553132.jpg
Я, посмотрев эту схему, так подумал.
А на проекторе, внутри, схема немного отличается.

Отредактировано Стас (Вчера 11:28:51)

9

https://upforme.ru/uploads/0018/29/2a/287/t256916.jpg

10

Стас написал(а):

Я, посмотрев эту схему, так подумал.
А на проекторе, внутри, схема немного отличается.

Та схема ранних КН-15-4(КН-17) а у вас поздний КН-17М, есть небольшие отличия.

11

Понял, спасибо

12

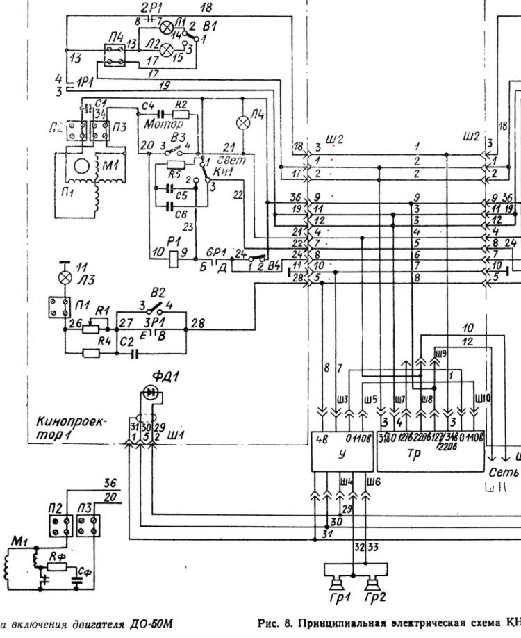
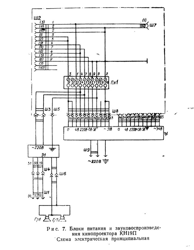
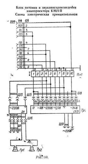
Хотите состыковать свой КН-17М и БПК-08, то паяйте коммутацию как на КН-19П или КН-21П
https://upforme.ru/uploads/0018/29/2a/2/t174165.jpg
https://upforme.ru/uploads/0018/29/2a/2/t744966.jpg

13

КПТ-36 написал(а):

Хотите состыковать свой КН-17М и БПК-08, то паяйте коммутацию как на КН-19П или КН-21П

На первой моей схеме, которая для ранних проекторов кн-17, 8 и 9 контакты Ш2 не соединены. Их нужно соединять, как на ваших обоих схемах питания, или так только для кн-19 и 21?

Отредактировано Стас (Вчера 20:44:40)

14

Стас написал(а):

На первой моей схеме, которая для ранних проекторов кн-17, 8 и 9 контакты Ш2 не соединены. Их нужно соединять, как на ваших обоих схемах питания, или так только для кн-19 и 21?

На первой схеме КН-17 изображена коммутация двух постов, при коммутации двух постов эта перемычка не нужна, на первых КН-17 в проекторе стоял дополнительный тумблер В4, который перемыкал эти контакты, при работе на одном посту нужно было включать этот тумблер в положение "1", так что вам нужно соединять эти контакты, иначе у вас не будет удерживаться пускатель на лампу.