Всем доброго вечера!
Ну вот, благодаря командировке Андрея (КПТ-36) наконец-то удалось увидеть и сравнить схемы выпрямителей БПК-500 и БПК-1000Д для питания ксеноновых ламп 500 и 1000 Вт.
Не знаю, по какой причине, но проекторы СК-500К и 1000К абсолютно не описывались в технической литературе, и познакомиться с ними, и всеми сопутствующими блоками можно было только изучая заводскую эксплуатационную документацию. В конце 80-х профильная техническая литература ещё издавалась, но там в основном перепечатывали информацию про "Ксенон-1М", 23КПК и КН-20, и лишь однажды я повстречал краткую информацию про проекторы ПК и СК.
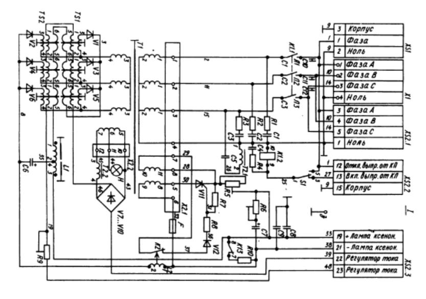
Я всегда считал, что данные выпрямители являются импульсными. Случайно найденная мной схема БПК-500 подтвердила это, хотя она больше какая-то гибридная, в силу особенностей схемотехники и элементной базы тех лет. А вот схему БПК-1000Д удалось увидеть только сейчас. И он оказался абсолютно кондовым, самым обычным трёхфазным трансформаторным выпрямителем. Т.е. видимо на 500 Вт однофазный импульсный выпрямитель смогли заставить работать, а на 1 кВт - уже нет, и вернулись к проверенной годами схеме. Удивляет, что в нём нет транзисторного регулятора тока, как в выпрямителе 50ВУК-120, и регулировка тока только ручная (удешевление + упрощение = надёжность). Таким образом, БПК-500 больше похож на тиристорные выпрямители ВКТ-1...5, а БПК-1000Д повторяет 53ВУК-50, только селеновые столбы заменены на кремниевые диоды.
Любопытно, что в документации значится несколько вариантов применения и исполнения выпрямителей: для комплектации СК-1000К, 35КСА-01 (!!!, отличается в 2 раза большим рабочим циклом - 2 часа вместо 1) и неким спец-исполнением, для какого-то оборудования. Может быть, это были даже не кинопроекторы, а мощные осветительные прожекторы, или светолучевое сварочное оборудование (да, такое тоже бывает, но сейчас чаще применяют на основе лазера).
Вот такая получилась кинотехнологическая археология!
P.S.: А ещё я немного разочарован. Давно вынашивал мысль, и надеялся, что можно будет использовать БПК-1000Д для мощной передвижной киноустановки, потому что он лёгкий, "импульсный", однофазный и т.п. Теперь точно всё...
